产品详情
BB-B20,摆线齿轮油泵BB-B20,摆线齿轮油泵BB-B20,摆线齿轮油泵
BB-B※Y系列摆线齿轮油泵结构紧凑,油泵自带安全阀,省去了管道连接,所以密封可靠,特别适用于滤油车。另外摆线齿轮油泵电机泵组装置,也可用为其它低压输油设备的动力源或润滑和冷却。
|
型号
|
流量
L/min |
使用压力
MPa |
安全阀设定压力
MPa |
吸入高度
mm |
电动机
|
||
|
型号
|
功率KW
|
转速r/min
|
|||||
|
BB-B4Y
|
4
|
<0.5
|
0.63
|
500
|
JW5624
|
0.12
|
1400
|
|
BB-B6Y
|
6
|
JW6314
|
0.18
|
||||
|
BB-B10Y
|
10
|
JW6324
|
0.25
|
||||
|
BB-B16Y
|
16
|
JW7114
|
0.37
|
||||
|
BB-B25Y
|
25
|
JW7124
|
0.55
|
||||
|
BB-B40Y
|
40
|
Y802-4
|
0.75
|
1390
|
|||
|
BB-B50Y
|
50
|
Y90S-4
|
1.1
|
1400
|
|||
|
BB-B63Y
|
63
|
||||||
|
BB-B63Y1
|
63
|
||||||
|
BB-B63Y2
|
63
|
||||||
|
BB-B80Y
|
80
|
Y90L-4
|
1.5
|
1400
|
|||
|
BB-B100Y
|
100
|
||||||
|
BB-B125Y
|
125
|
Y100L1-4
|
2.2
|
1420
|
|||
|
BB-B125Y1
|
125
|
||||||
|
BB-B125Y2
|
125
|
||||||
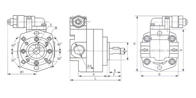
技术规格
|
型号
|
外形尺寸
|
||||||||||||||
|
A
|
B
|
E
|
F
|
H
|
N
|
L
|
D(f8)
|
d(h7)
|
Φ
|
b
|
M
|
K1
|
K2
|
C
|
|
|
BB-B4Y
|
50
|
72
|
25
|
30
|
92
|
2
|
107
|
Φ35
|
Φ12
|
Φ50
|
4
|
M6
|
Z3/8"
|
Z3/8"
|
36
|
|
BB-B6Y
|
55
|
112
|
|||||||||||||
|
BB-B10Y
|
64
|
121
|
|||||||||||||
|
BB-B16Y
|
72
|
95
|
30
|
34.5
|
117
|
3
|
137
|
Φ50
|
Φ16
|
Φ65
|
5
|
M8
|
Z3/4"
|
Z3/4"
|
50
|
|
BB-B25Y
|
81
|
146
|
|||||||||||||
|
BB-B40Y
|
85
|
110
|
32
|
37
|
134
|
4
|
155
|
Φ55
|
Φ22
|
Φ80
|
6
|
M8
|
60
|
||
|
BB-B50Y
|
90
|
160
|
|||||||||||||
|
BB-B63Y
|
97
|
167
|
|||||||||||||
|
BB-B63Y1
|
Z1"
|
Z3/4"
|
|||||||||||||
|
BB-B63Y2
|
Z1"
|
Z1"
|
|||||||||||||
|
BB-B80Y
|
102
|
130
|
40
|
46
|
154
|
5
|
195
|
Φ70
|
Φ30
|
Φ95
|
8
|
M8
|
Z1"
|
Z1"
|
73
|
|
BB-B100Y
|
109
|
202
|
|||||||||||||
|
BB-B125Y
|
118
|
211
|
|||||||||||||
|
BB-B125Y1
|
Z1/4"
|
Z1"
|
|||||||||||||
|
BB-B125Y2
|
Z1/4"
|
Z1/4"
|
|||||||||||||



