产品详情

冬天大雪纷飞,天寒地冻,汽车发动机难以启动,车身厚厚积雪,风挡玻璃结霜,驾驶室温度无法忍受。每天遇到这样的情况,您的心情又是怎样?宏盛驻车加热器让你的这些问题迎刃而解。加热器可达到风挡玻璃除霜和加热车内空气的作用,让您无需等待,一上车便感受到温暖如春的环境。
YJ-Q16.3/2ASL汽车液体燃油加热器
1、结构紧凑、拆装方便、便于维护。
2、采用单片机实现全自动程序控制、操作简便、具有恒温控制功能。加热器进口温度可根据需求实现双温度范围控制60℃-70℃.
3、水温及过热传感器采用进口热敏电阻、稳定可靠、控制灵敏、精度±0.5℃。
4、开机全程检测、人性化设计、指示灯闪码指示加热器工况。
5、判断着火方式:专利技术、采集无触点信号、灵敏度高、一致性好、能可靠地指示着火及控制关机。
6、加热器具有过压、欠压保护、电机、电磁阀、电热塞短路、断路保护、点火传感器断路保护、确保加热器的工作安全可靠。
7、加热器主电机自动降压启动、点火所需时间更短、电量消耗更低。
8、工作电压范围内,电热塞和主电机一直稳压运行;适于海拔5000米以下地区使用。
9、高效的燃烧室和换热器结构,确保加热器燃烧效率在80%,加热器废气排放满足欧V发动机排放要求。
技术参数
1、型号:YJ-Q16.3 /2ASL
2、额定热流量: 16.3KW
3、额定电压: DC24V
4、电机功率: 105W
5、耗油量:1.78Kg/h
6、水泵流量:5000L/h
7、单机质量:21Kg
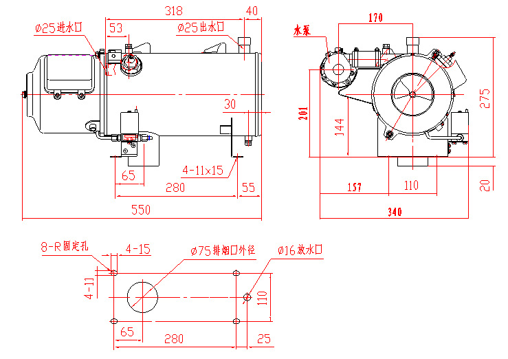
8、外形尺寸: 550×360×295mm
产品图

尺寸图

产品实拍:


