产品详情
ADW400系列环保监测模块
功能:
ADW400环保监测模块主要用于计量低压网络的三相有功电能,同时可选择四个回路的电流输入,具有RS485通讯和470MHz无线通讯功能,方便用户进行用电监测、集抄和管理。可灵活安装于配电箱内,实现对不同区域和不同负荷的分项电能计量,统计和分析。
应用范围:
ADW400方便用户进行用电监测、集抄和管理,特别适合环保监管类的厂区智能监管改造项目,可广泛应用于化工厂、制药厂、钢铁厂、养殖厂等产污制污的工厂。
订货范例:
具体型号:ADW400-D16--4SX
技术要求:3×1.5(6)A、3×20(100)A、 3×40(200)A、3×80(400)A、3×120(600)A
通讯协议:RS485通讯;红外通讯;470MHz无线传输
技术参数:
产品选型:

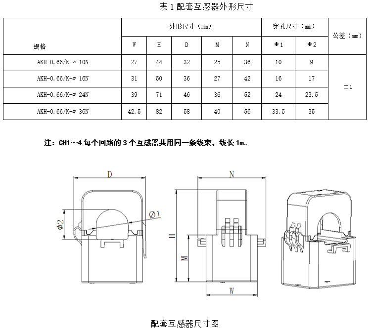
外形尺寸:

联系人:周洁 服务电话:0510-86179909 传真:0510-86179975
江苏安科瑞电器制造有限公司(安科瑞 股票代码:300286.SZ)
公司地址:江苏省江阴市南闸镇东盟路5号 邮编:214405
咨询电话:18860995110
QQ:2880263325
江苏安科瑞电器制造有限公司(安科瑞 股票代码:300286.SZ)
公司地址:江苏省江阴市南闸镇东盟路5号 邮编:214405
咨询电话:18860995110
QQ:2880263325

